VB 403 im Modell


Der VB 403 von Roland Feraric und Uwe Stehr

Aktualisiert: 13. März 2023

Der Beiwagen VB 403

Der VB 403

Das Vorbild wurde mit zwei weiteren, baugleichen Triebwagen 1938/39 an die Rhein Sieg Eisenbahn geliefert. VT301 gelangte zur DEBG die ihn mit breiteren Radreifen umspurte. 1961 gelangte VT301 mit VT300 und VT302 ins Jagsttal. 1959 erhielt er die Zug- und Stoßeinrichtungen der Dampflok 151, bis 1967 auch wieder Sitze. Im Dez. 1970 wurde er im Dörzbach abgestellt und zum Beiwagen VB 403 umgebaut. Motor und Getriebe wurden nach Hüffenhardt abgegeben. Die Treibradsätze wurden ausgebaut und durch Laufradsätze ausgetauscht. Die Druckluftbremsanlage wurde ebenfalls ausgebaut, lediglich die Handbremse, die auf die Radsätze eines Drehgestelles wirkt, blieb erhalten. Der VB 403 war bis 1984 einsatzfähig bei der Jagsttalbahn vorhanden.

Das Bild auf der rechten Seite zeigt alle drei Beiwagen, von vorne: VB403, VB400 und VB 401 2001 abgestellt in Bierungen.

Umsetzung des VB 403 in ein Modell

Ursprünglich war die Umsetzung ins Modell durch den Umbau des VT 302 der Firma Weinert geplant. Der Bausatz wird leider nicht mehr hergestellt und ist nur noch vereinzelt im e-bay oder im Fachhandel zu bekommen, und das zu horrenden Preisen. Das Gehäuse ist aus Weißmetall und müßte für den VB 403 im Bereich des Wagenkastens stark umgebaut werden. In Summe ein recht großer Aufwand der zu allem Überfluß auch noch zu einem recht schweren Wagen führen würde.

VB 403 als 3D Modell

Das Gehäuse soll nun also in einem 3D Programm, freeCAD, gezeichnet und anschließend mit einem DLP 3D Drucker realisiert werden. Nach einigen ersten, einfachen Übungen mit dem Programm "freeCAD" wollen Roland und ich uns nun dem VB 403 zuwenden.

Geplant ist den VB nicht in einem Stück, sondern in mehreren Einzelteilen zu drucken. Die Drehgestelle sollen aus Festigkeitsgründen aus Neusilberblech geätzt werden. Herzustellen sind:

Diese Baugruppen konstruiere ich zeitlich parallel miteinander, so kann ich die einzelnen Baugruppen in ihren Entstehungsstufen immer wieder am PC zusammenfügen um zu kontrollieren ob sie zusammenpassen, dies spart langfristige Änderungen die entstehen wenn man Fehler zu spät erkennt. In diesem Bericht beschreibe ich die Baugruppen jedoch nacheinander, um den Werdegang der Konstruktion zu verdeutlichen.

VB 403 Wagenkasten

Der Wagenkasten ist auf den ersten Blick eine sehr komplizierte Figur. Aber sie läßt sich sehr leicht auf eine einfache Grundstruktur zurückführen. Diese habe ich zu Beginn der Konstruktion einmal skizziert. Für die Skizze werden gerade einmal fünf Maße aus der Zeichnung im Buch "Die Fahrzeuge der Jagsttalbahn" benötigt.

Hand Skizze des VB 403

Diese Grundstruktur habe ich in dieser Zeichnung zusammengefasst. Hiervon werden alle anderen Gehäuseteile abgeleitet.

Skizze des VB 403

Der Wagenkasten besteht nun aus mehreren, unterschiedlichen Baugruppen die zusammen den Volumenkörper des VB 403 bilden.

Volumenkörper des VB 403

Um diese Baugruppen unterscheiden zu können habe ich sie farblich hervorgehoben, von oben:

farbiger Volumenkörper des VB 403

Dies erleichtert die Erststellung des Wagenkastens erheblich, da die einzelnen Baugruppen für sich bearbeitet werden können. Zum Schluß werden diese Baugruppen zu einem Bauteil, dem Wagenkasten, verbunden.

Diese Baugruppen habe ich nun mit "Abziehkernen" für Fenster, Innenraum u.ä. versehen und jeweils separat bearbeitet. Die Maße dieser Kerne, und ihre Lage, habe ich der Zeichung aus dem Buch "Die Fahrzeuge der Jagsttalbahn" entnommen.

Abziehkerne

Die obere Baugruppe ohne Fenster, Türen und Innenraum.

obere Baugruppe

Die mittlere Baugruppe, die Zierleiste, ohne Türen und Innenraum.

Zierleiste

Die untere Baugruppe ohne Türen und Innenraum.

untere Baugruppe

Diese drei Baugruppen zusammen mit dem Dach, Bodenplatte und Drehgestellblenden werden in einer Zeichnung vereint. Weiter Details werden dann in den einzelnen Baugruppen ergänzt, das ist übersichtlicher. Die Zusammenbauzeichnung dient dann der Kontrolle ob die Teile später auch zusammenpassen.

Die Seite des VB 403

Die Tritte unter den Türen sind neu, der Lüfter über den Stirnfenstern und eine erste Idee für eine Kupplung. Hier muß ich aber noch die Höhe checken und die Form der Pufferteller.

Die Seite des VB 403

Platt von der Seite scheinen mit die Kupplungen auch etwas zu lang zu sein. Die Kupplung habe ich mal für die VB/VT von Henrik gezeichnet und gedruckt.

Die Front des VB 403

Direkt von vorne betrachtet scheint das aber gut zu passen, da fehlen noch ein paar Details, dann wird der auch gedruckt.

Die Front des VB 403

Blöde Panne, ich habe zwar eifrig diese Screenshots gemacht, dabei aber völlig vergessen die Baustufen abzuspeichern. So konnte ich dann einige Arbeiten einfach nochmal neu machen. Aber einmal gelöst geht das recht schnell. Der nicht gespeicherte Zustand vom Vortag, wenn man genau hinsieht fehlen noch die Tür und Fenster der Trennwand, Dachschnuffel auf der falschen Seite und auch nur einer…

Alter Stand des VB403

Dann spät am Abend, oder schon in der früh, Fensterrahmen in der großen Schiebetür, E-Kupplung in der Stirn, 3 Dachschnuffel auf der richtigen Seite und Tür und Fenster in der Trennwand.

Neuer Stand des VB403

Die andere Seite mit dem alten Auspuff und Lüfter darunter, der fehlte gestern auch noch. 5 Rippen, ich hab sie gezählt !

Auspuff und Lüfter

Platt von der Seite, es wird so langsam....

Platt von der Seite

Auch das Gehäuse ist nun eine eigene Baugruppe. Hier kann man gut die Trennwand erkennen.

Platt von der Seite

Die Seite mit dem Auspufflüfter.

Auspuff Seite

Von unten sieht man die Löcher für die M2 Schrauben diagonal in den Bremskästen (grau). Auch die nur 0,6mm dicke Trennwand.

Löcher für M2

Platt von der Seite, links….

linke Seite

…und rechts….

rechte Seite

….und die Stirnansicht.

Stirnansicht

Blöd, Teil 2

Dann habe ich diese Bauteile zusammengestellt und mir das alles am PC angesehen….

….was’n das? Wieso guckt da eine orange Ecke aus dem Gehäuse????......das wird so nicht passen….

orange Ecke am Gehäuse

…der Grund für das Übel, hier ragen die Sitze über den Rand der Bodenplatte raus. Da werde ich noch was vom Gehäuse und/oder Bodenplatte wegnehmen müssen…

orange Ecke am Gehäuse

Das bei der Bodengruppe entfernte Stück Sitzbank habe ich passend an die innere Gehäusewand integriert. Das ist vielleicht später etwas knifflig zu bemalen, aber so entsteht dort keine Lücke.

integriert Sitzbank

Wenn man durch das Stirnfenster schaut sieht man den Spalt in der vorderen Sitzbank.

Spalt in der Sitzbank

Nun guckt auch an der Seite nix mehr von der Sitzbank raus.

von der Seite

Von der "Auspuffseite" her kann man die neue Längssitzbank erkennen.

neue Längssitzbank

Hier mal eine Übersicht von der Seite, die Kupplung ist noch falsch…

falsche Kupplung

Anhand der Bilder habe ich die Kupplung ein wenig angepasst, die Ohren der Prallplatte seitlich gerade geschnitten, unten rund und in der Mitte ein Schlitz. Der Fanghaken für den Bügel bleibt natürlich.

modifizierte Kupplung

Der hintere „Balken“ ist auch breiter geworden und hat einen anderen Querschnitt. Ich habe sie dann auch einen Millimeter kürzer gemacht.

modifizierte Kupplung

Hier ist die neue Kupplung mal am VB zu sehen.

falsche Kupplung

Die Stirnpartie passt so schon mal recht gut wie ich finde.

Stirnpartie

Die letzte Ansicht zeigt alle Bauteile im druckfertigen Zustand in der Zusammenbauzeichnung. So werden die Bauteile zum ersten Mal gedruckt.

VB403 komplett

VB 403 Dach

Das Dach und auch die umlaufende Regenrinne wird aus der Skizze des Oberteiles abgeleitet. Die Dachrinne ist rundum mit 0,3mm größer und auf 0,5mm Stärke extrudiert. Das Dach selber wird auf 3,5mm Stärke extrudiert und die Kanten mit 3,5mm verrundet.

Das Dach des VB 403

Die 3 Schnuffel auf dem Dach gehören eigentlich zur Motorausrüstung. In der Mitte der Auspuff, daneben die Einfüllstellen für den Kraftstoff. Diese Anlagen wurden beim Ausbau des Motor's nicht entfernt und sind dort auch heute noch zu finden. Die Fixiernasen vom Dach sollen die Montage erleichtern.

Fixiernasen im Dach

Damit sich beim Druck kein Material in den Ecken sammelt ist hier ein wenig "Luft" vorgesehen.

Fixiernase im Dach

Alle 6 Fixiernasen sind unterschiedlich lang, haben aber das gleiche Profil.

Fixiernase im Dach

Bei den Ecken des Daches habe ich mich wohl bei den Radien der Regenrinne vertan, das kann so nicht bleiben.

Dachecke

Die Zeichnungen der Regenrinne wird geöffnet und der Radius angepasst.

Radius angepasst

Nun passt der Radius, so kann das Dach bleiben.

Dachradius angepasst

Blöd gelaufen, erst kurz vor Schluß bemerke ich das auf dem Dach neben dem alten Auspuff noch die beiden Einfüllöffnungen sind. Auf der falschen Seite ist der Auspuff auch. Kein großes Ding, ein neues Bauteil, eine Kopie, um die Hochachse gedreht, ergibt das neue Dach.

neues Dach

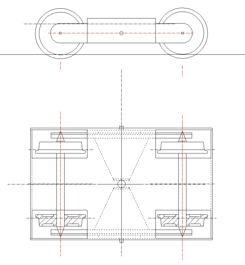
VB 403 Bodenplatte mit Inneneinrichtung

Die Bodenplatte wird aus der Skizze des Unterteiles abgeleitet und rundum mit 0,2mm Spiel versehen und auf 1mm Stärke extrudiert. Um die erforderliche Höhe der Drehgestellaufnahmen zu bestimmen habe ich die Drehgestelle bereits in die Zeichnung kopiert.

Bodenplatte des VB 403

Zeit sich einmal um die Inneneinrichtung zu bemühen. Der „Standard-Sitz“ im Querschnitt. Die verwende ich als extrudierte Modelle für die Inneneinrichtung.

Standard-Sitz

Hier die extrudierten Sitz längs der Wand. In dem Schlitz zwischen beiden Sitzen passt dann die Trennwand (hoffentlich). Der besseren Übersicht halbe habe ich das Unterteil des Gehäuses und die Türen mit in die Zeichnung kopiert.

Sitz längs

Die Skizze 2x kopiert und jeweils um 90° gedreht, im und gegen den Uhrzeigersinn.

kopiert und gedreht

Zu 2er Sitzgruppen extrudiert.

2er Sitzgruppen

Orange gefärbt und der Zeichnung im Buch entsprechend verteilt.

Orange gefärbt

Hier sind die Sitze im VB (orange). Die Inneneinrichtung wird zusammen mit der Bodengruppe gedruckt. Hier ist später außer Farbe nix zu montieren.

Inneneinrichtung

Die Bremskästen neben den Sitzen an den Stirnseiten erfüllen nebenbei noch die Funktion der Montage, sie nehmen von unten zwei M2 Innengewinde auf, mit denen die Bodengruppe verschraubt wird. Diese Bremskästen werden mit dem Wagenkasten verbunden, die Sitze mit der Bodenplatte.

Inneneinrichtung

Wie schon oben beim Wagenkasten bemerkt, ragen hier die Sitze über den Rand der Bodenplatte raus.

orange Ecke am Gehäuse

Die gekürzte Sitzbank. Dabei habe ich auch gleich die Längssitze umgebaut, das ist, laut einem Bild vom Inneren des VB, eine einfache Kiste ohne Lehne, so ist es nun auch im Modell.

gekürzte Sitzbank

Vorne zur Tür ist noch eine Platte ergänzt die ich auch den Bildern gesehen habe.

ergänzte Platte

Die gekürzte Sitzbank von oben. Die Position der Sitzbänke ist nun etwas auseinander (0,4mm). Das ist auch ganz gut so, denn hier kommt später ein gebogenes Rohr (0,5mm) als Griff hin.

Sitzbank von oben

Dann ist mir aufgefallen das ich mit der Sitzbank und der Platte am Ende eine Art „Reagenzglas“ gebaut habe. Beim Druck kann sich darin Harz sammeln das nicht abfließen kann. Das macht im schlimmsten Falle eine Sauerei beim Auslaufen in der UV Nachhärtekammer. Da der Sitzkasten vorne geschlossen ist, habe ich hinten eine Reihe Löcher vorgesehen, so kann das Harz raus und Luft rein.

Sitzbank von oben

Bei den Sitzen habe ich die Befürchtung das mir beim Druck die Lehnen wegbrechen, zum Sitz hin gibt es da eine Sollbruchstelle.

Sollbruchstelle

Um diese Sollbruchstelle zu entschärfen habe ich diese mit einem Radius von r=0,2mm ausgerundet (grau).

Radius

Auch die Unterseiten sind da wenig stabil angebunden…

Radius

…mit ein paar Rundungen r = 1mm wird das gleich stabiler.

Rundungen

Hierfür müssen nur die gewünschten Kanten ausgewählt werden (grün) und mit der Radienfunktion ausgerundet werden.

Kanten auswählen

So sehen die Sitzreihen nun aus.

Sitzreihen

Dieser Bauzustand wird nun im nächsten Schritt gedruckt.

VB 403 Drehgestell Blenden

Die Drehgestell Blenden des VB 403 sollen ebenfalls gedruckt werden, sie erfüllen nur optische Funktionen, sollten also möglichst detailiert sein. Die Grundidee ist einen Außenrahmen zu zeichen (grün), von dem der Platz für das geätzte Drehgestell abgezogen wird.

Drehgestell Blende

Neben dem Kern werde auch die Durchbrüche im Rahmen abgezogen.

ausgegrochener Rahmen

Das Achslager besteht aus einem Quader mit gerundeten Ecken, einer Welle als Deckel und vier Wellen als Schrauben in den Ecken.

Achslager

Die Blattfeder ist eineinfaches, breitgezogenes "V". Einzelne Lagen zu zeichnen wäre zwar möglich, aber davon sieht man unter dem Beiwagen später nichts mehr.

Blattfeder

Aufhängung und Schraubenfeder der Blattfeder bestehen aus einzelnen Wellen. Auch hier habe ich auf die Darstellung einer Spiralfeder verzichtet, da diese unter dem VB nicht zu erkennen sind.

Aufhängung und Schraubenfeder

Aufhängung und Schraubenfeder links ist konstruiert, rechts ist kopiert.

kopierte Aufhängung und Schraubenfeder

Konstruiert wird nur einmal, der Rest ist kopiert (grün).

kopierte Achslager

So sieht der Drehgestellrahmen schon mal recht komplett aus.

Drehgestellrahmen

Auch die Schienenräumer sind schnell gezeichnet und angebracht.

Schienenräumer

Bis auf die Anschraublaschen zum Verbinden mit dem geätzten Drehgestell ist diese Konstruktion schon fertig.

Hier nun auch mit Bodenplatte. Die Drehgestell Blenden sind auch schon an der späteren Position. Das sollte sich kollisionsfrei drehen können.

Bodenplatte im VB 403

Fast vergessen, die seitlichen Tritte für den Einstieg. Eine seitliche Skizze, ein Quader zum Abziehen, das ist ein schnell erstelltes Bauteil.

Tritte für den Einstieg

Wie auch schon beim Weinert Bausatz sind die Tritte nicht mit dem Wagenkasten, sondern dem Drehgestell verbunden. Die erlaubt ein deutlich größeres Auslenken der Drehgestelle und so einen bessere Bogenläufigkeit auch in engeren Radien.

Tritte für den Einstieg

VB 403 Drehgestell Ätzteil

Das Drehgestell wird aus Gründen des leichten Laufes der Achsen und der Stabilität in Ätztechnik erstellt. Hierbei soll auch eine Dreipunktlagerung zur Anwendung kommen. Die Konstruktion erfolgt mit dem 3D Zeichenprogramm freeCAD, die Abwickelung erstelle ich später in einem 2D Zeichenprogramm Graphik Works.

Drehgestell in Ätztechnik

Die Konstruktion für das Drehgestell ist bereits etliche Jahre alt und stammt ursprünglich von einem für H0e konstruierten Rollwagen, der komplett in Ätztechnik entstand. Schon mit Blick auf die vielen Drehgestelle mit 1.000mm Achsstand wurde das Modell mit 12mm Achsstand konstruiert. Da sich die Laufeigenschaften dieses Rollwagens in den letzten Jahren gut bewährt haben, soll die Drehgestellkonstruktion auch die Basis für die Drehgestelle des VB sein.

Drehgestell in Ätztechnik

Als erstes wird die Konstruktion auf den gewünschten Achsstand von 1.400mm, also 16mm, geändert. Zusätzlich wurde ein umlaufender Rahmen zur Befestigung der gedruckten Blende ergänzt.

Drehgestell in Ätztechnik

Die drehbaren Achshalter, in bunt, oben, die Konstruktion, schwarz die Ätzvorlage. Die blauen und roten Striche sind Biegekanten jeweils auf der Ober- (blau) und Unterseite (rot).

Drehgestell in Ätztechnik

Die Konstruktion der Drehgestell Rahmen. Hierin werden die drehbaren Achshalter gelagert und am Rahmen die Blende befestigt. Hellblau das spätere Blech, gelb Durchbrüche auf beiden Seiten. Als nächstes werden nun die Hilfslinien der Konstruktion gelöscht und die Biegelinien farbig und von der Stärke her angepasst.

Drehgestell in Ätztechnik

Die fertigen Ätzbleche für ein Drehgestell. Diese müssen nun noch dupliziert und in einem Ätzrahmen untergebracht werden.

Drehgestell in Ätztechnik

Bodenplatte mit eingesetzten, geätzten Drehgestellen. Passt auch schon mal.

Bodenplatte mit Drehgestellen

So ganz perfekt ist das nicht, das geätzte Drehgestell wird durch die Blende sichtbar bleiben (gelb). Da aber beides schwarz lackiert wird fällt das nicht weiter auf, hoffentlich….

Drehgestelle sichtbar

3D Druck der VB 403 Einzelteile

Nach der Konstruktion schließt sich nun der 3D Druck der Einzeltteile an. Begonnen habe ich mit dem größten Einzelteil, dem Gehäuse. Der Anycubic Photon Slicer errechnet für den Druck eine Zeit von 13 1/2 Stunden.

Gehäuse in Slicer

Das Gehäuse setzt sich aus insgesamt 3.750 einzelnen Lagen zusammen.

3.750 Lagen

Als Beispiel hier einmal die Lage 1.927. Dies kontrolliere ich um sicherzustellen das der Druck nirgendwo "im Leeren" beginnt, dies würde den Druck in jedem Fall unbrauchbar machen.

Lage 1.927

Einen halben Tag später ist der Druck beendet, hier hängt das Gehäuse noch kopfüber im Drucker an der Druckplatte.

Gehäuse im Drucker

Zum Abwaschen des frisch gedruckten Gehäuses nutze ich eine flache Schale aus Edelstahl und Spiritus.

Gehäuse waschen

Nach dem Abwaschen kommt das Gehäuse zum Nachhärten in die UV-Lichtkammer.

Gehäuse in UV-Lichtkammer

Nun kann das Gehäuse von seiner Stützstruktur befreit werden.

gedrucktes Gehäuse

Das nächste Bauteil ist recht kompliziert, die Bodenplatte mit der Inneneinrichtung. Auch hier wird im Slicer zunächst die Stützstruktur erstellt und das Modell in die einzelnen Drucklagen zerlegt.

Bodenplatte im Slicer

Für die Bodenplatte errechnet der Slicer eine Druckzeit von 9 1/2 Stunden.

9 1/2 Stunden

Die Bodenplatte besteht aus 2.621 Lagen.

2.621 Lagen

Die Druckzeit ist linear von der Anzahl der Lagen abhängig, legt man das Modell bei Druck flacher reduziert sich die Zeit für den Druck.

Druck flacher

Die Druckzeit reduziert sich so von 9 1/2 Stunden auf 5 Stunden und 9 Minuten.

5 Std 9 Min

Die 2.621 Lage reduzieren sich um rund ein Drittel auf 1.411 Lagen.

5 Std 9 Min

Dadurch passt die Grundplatte nun noch quer auf die Bauplattform.

quer

Die gleichzeittig zu druckenden Querschnitte vergrößern sich ebenfalls.

Querschnitt

Nach dem Druck, Waschen und Nachhärten sieht die Bodenplatte nun so aus.

Bodenplatte

Alle Sitze, Lehnen und restlichen Details sind komplett vorhanden.

Bodenplatte

Das letzte große Teil ist das Dach, lang und flach. Das Dach im Slicer, diesmal sehr steil angestellt, dann sieht man weniger Stufen von den einzelnen Lagen…

im Slicer

…Nachteil: Ich brauche mehr Harz für die Stützstruktur als für das Dach selber.

im Slicer

Vorteil: Keine Stützen auf der Dachoberseite, die sieht man schließlich.

im Slicer

Weiterer Vorteil: es werden immer nur kleine Flächen gedruckt die sich von der PET Folie lösen müssen, dann entstehten hoffentlich keine schwingenden Schwimmhäute die eine Wellenform im Druck hinterlassen.

im Slicer

Nachteil: 3.326 Lagen, das werden 12Std Druckzeit…für EIN Dach…

im Slicer

Letztlich habe ich auch das Dach, wie schon die Bodenplatte weniger steil gedruckt. So war der Drucker "schon" nach 8 1/2 Stunden fertig.

8 1/2 Stunden

Hier hängt das Dach noch an der Bauplatte im Drucker.

Dach an der Bauplatte

Nach dem Druck, Waschen und Nachhärten sieht das Dach so aus.

Dach des VB 403

Bleiben als letztes die Kleinteile Drehgestellblenden und Kupplungen. Die Einzelteile werden hierbei zuerst einzeln im Slicer mit einer Stützstruktur versehen.

Kupplung des VB 403

Diese Bauteile werden mit Stützstruktur als eigenes stl.-file abgelegt, so kann ich später verschiedene Kleinteile sehr einfach auf der Bauplatte platzieren ohne jedesmal wieder eine Stützstruktur entwickeln zu müssen.

Kupplung des VB 403

Auch mit der Blende mache ich das so.

Drehgestellblende des VB 403

Zwei Blenden und vier Kupplungsköpfe, mit unterschiedlicher Stützstruktur zum testen, finden auf der Bauplatte leicht Platz.

Drehgestellblende und Kupplung

Hierfür braucht der Drucker etwa 4 Stunden.

4 Stunden

Gedruckt, gewaschen und nachhärtet sind die Kleinteile fertig.

Kleinteile des VB 403

Die Kupplungen sind vollständig gedruckt, die beiden oberen Kupplungen haben eine feinere Stützstruktur die für diese Kleinteile offenbar ausreichend stabil ist. Das spart Nacharbeiten.

Kupplungen des VB 403

Die Benden sind ebenfalls vollständig ausgedruckt.

Kupplungen des VB 403

Nun kann die Montage der Einzelteile beginnen.

Montage der Einzelteile des VB 403

Vor der Montage müssen alle Bauteile von ihrer Stützstruktur befreit werden. Die mache ich mit einer Minidrill mit Korund Trennscheibe. Das ist zwar etwas staubig, schützt das Modell aber vor Bruchnaben in der Oberfläche. Einfach herausbrechen erzeugt kleine Vertiefungen in der Oberfläche der Modelle die man nur schwer entfernen kann.

Einzelteile des VB 403

Anschließend lassen sich die Einzelteile zusammenstecken. Nun kann man sehr gut erkenne ob die Teile passen und was es am Ende werden soll. Hier sehe ich schon ein Verbesserungspotential. Weil ich beim Lackieren nicht gerne abklebe habe ich Dach und Wagenkasten separat gedruckt, die anschleißende Montage scheint mit kniffliger als das Abklebeb beim Lackieren zu sein, dies werde ich noch ändern.

Einzelteile des VB 403

VB 403 STL-Files

Für den Druck der VB 403 Baugruppen wird ein 3D DLP Drucker benötigt, ein einfacher 3D FDM Drucker wird an den Details und Oberflächengüte vermutlich scheitern. Die Volumen-Modelle steht hier als STL-file zum download bereit:

...der Rest ist noch immer eine Baustelle